电容式电压互感器的特点及工作原理电容式电压互感器(CVT)与普通的电磁式电压互感器相比具有绝缘可靠性高、价格低、体积小、不易产生系统谐振、还可兼作电力线载波通信用的耦合电容器等优点,已在电力系统中得到广泛应用。目前我省电网中运行的500kV电压互感器全部采用电容式电压互感器,新建和扩建的220kV关口计量用电压互感器也基本都选用了电容式电压互感器。
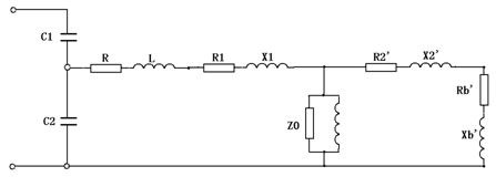
电容式电压互感器结构上由电容分压器和电磁单元组成,如图4所示。 织梦内容管理系统

图4 CVT结构图与等值电路图 copyright dedecms
电容分压器由高压电容C1和中压电容C2组成,系统一次电压经电容分压器后产生中间电压,中间电压一般在10kV~20kV之间。电磁单元位于铁壳箱体内,内部有中间变压器T、补偿电抗器L、阻尼器ZD和限压元件组成。补偿电抗器用于调整一、二次电压间的相位关系,补偿电容分压器容抗,减小综合内阻抗,提高CVT的负荷能力。
电容分压器的输出中间电压经过一台补偿电抗器后接到中间变压器的一次绕阻,中间变压器将中间电压变换为标准的二次电压。二次绕阻通常有2~3个,1~2个为二次相电压绕阻,(1a,1n)和(2a,2n),额定电压为100/3V,1个为剩余电压绕阻,(da,dn),额定电压为100V。CVT电容分压器电容量的标准值主要有0.02F(110kV)、0.015F(110kV)、0.01F(220kV)、0.0075F(220kV)、0.005F(330kV)、0.005F(500kV)。