首页
关于我们
企业简介
文化理念
资质证书
组织机构
产品设计
产品中心
产品目录
新品推荐
解决方案
新闻动态
企业新闻
行业动态
技术交流
产品选型
铁路部门
石油化工
建筑行业
电力行业
大学院校
其他领域
联系我们
客户服务中心
销售服务
销售服务
新闻动态
NEWS
主页
>
新闻动态
>
技术交流
>
企业新闻
企业新闻
行业动态
技术交流
新闻推荐
【湖北电保姆】2022年端午节放假通知
蓄电池化成监控系统的特点
湖北电保姆 | 五一劳动节放假通知
创新赢得未来!湖北电保姆荣获“科技小巨人”荣誉称号!!!
【湖北电保姆】2022年清明节放假通知
蓄电池组充放电试验措施
一、试验目的和依据
上河电厂阀控蓄电池已运行近六年,蓄电池单体电压差异越限、容量严重降低。为恢复其性能,同时核对电池组
蓄电池放电容量
,拟按照有关规定对其进行
蓄电池充放电
。为保证试验安全,特按照《直流电源装置运行维护规程》及蓄电池使用说明书制定本措施。
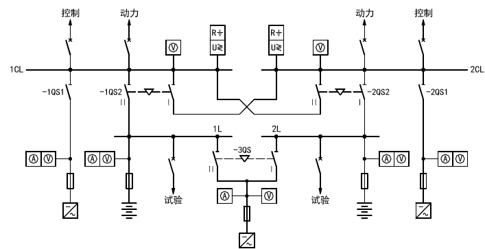
二、直流设备概况
直流系统由三台充电机、两组蓄电池、两条直流母线组成。两段母线分列运行,各接一组蓄电池和一台充电机,蓄电池处于浮充电运行方式,#3充电机处于备用状态。
直流系统型号:PZ 61/G FM-232C-1500/220。
蓄电池型号:GFM-1500型阀控免维护蓄电池。
织梦内容管理系统
单瓶电压:2.251 0.02V数量:104瓶/组。
试验应具备的条件
1、直流系统运行正常,无影响机组安全运行的因素。
2、相关表计符合要求,能够如实反应电池电压、电流、容量。
3、测控装置、电池巡检装置等设备时钟一致。
4、人员分工明确,熟悉本措施,仪表仪器准备妥当。
5、监控装置各参数已按照充放电要求设定无误。
6、放电电阻已连接到#1充电母线,检查接线无误、开关确断。
四、组织分工
1、试验中系统倒换操作由运行值班员负责。
copyright dedecms
2、监控装置面板操作由检修部安排专人负责。
3、电气专工、蓄电池厂家技术人员现场指导,热电班、电气班派人参加。
五、试验步骤
1、联络刀闸切到一母,两段直流母线并列运行,母线电压正常。
2、查#1, 2稳压电源与#2蓄电池并列运行,#1蓄电池停运。
3、#1蓄电瓶静置一小时。
4、放电电阻及控制回路送电正常,置放电电阻到最大位。
5、投入电阻,检查电池组进入放电状态。
6、核对就地、远方表计一致,各部参数正常。
7、任一单瓶电压降低到1.8v应立即拉开电阻,停止放电。
8、静置蓄电池一至两小时。
copyright dedecms
9、投入#3充电器到一段充电母线。
10、#3充电器“开机”并投“自动”方式,查蓄电池转入恒流充电。
11、监视蓄电池按设定程式转入浮充电方式。
12、重复以上充放电过程两次(3-11项)。
13、#1蓄电池投入一母,断开联络刀闸。
14、停运#3整流器,调节#1, 2母电压到正常。
15、查直流系统已恢复正常方式。
六、试验注意事项
1、直流系统倒换应严格执行“两票三制”,严防直流母线失压。
2、试验中#1, 2整流器与#2蓄电池组并联带两段直流母线运行,#3整流器根据充放电需要操作。
3、因电瓶亏电,容量降低严重,放电过程中不必调整电阻。
织梦内容管理系统
4、严密监视电池组电压、电流,做好记录,防止过充或过放。电瓶电压以就地实测为准,放电测电压最低电瓶,充电测最高电瓶。
5、放电过程记录不少于三次,充电过程记录不少于两次充电注意监视“落后”电瓶温度,防止热失控。
6、放电结束,充电器投运后应按恒流*恒压*浮充方式逐步过渡到浮充状态。
应注意监视各状态控制及转换条件是否符合如下要求:
恒流限压:以I10(150A)恒定电流充电,蓄电池端电压上升到约242v(2.30~2.35V*N),适当保持(约10分钟)后进入第二阶段。
恒压充电:电瓶端电压恒定(约240v),电流逐步减小到15A后,经设定时间转入浮充方式,充放电过程结束。
上一篇:
氧化锌避雷器测试仪的试验及现场安装方法技巧
下一篇:
屏蔽电缆的屏蔽层为什么不能重复接地?
鄂ICP备14011258号-2
Copyright © 2010-2020 湖北电保姆电力自动化有限公司